-
Notifications
You must be signed in to change notification settings - Fork 1
hgoli02/Computer-Architecture-Project
About
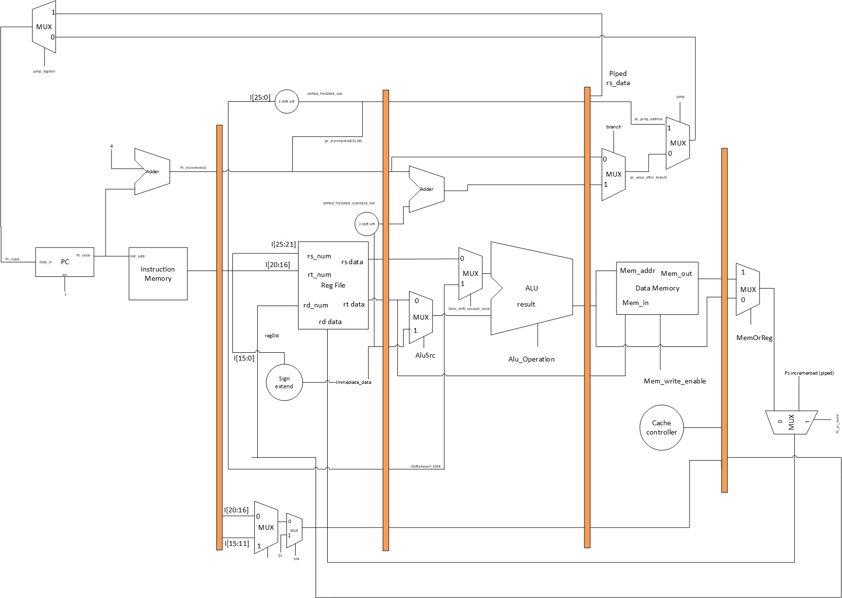
Computer Architecture Project Spring 2022 4 phase MIPS
Resources
Stars
Watchers
Forks
Packages 0
No packages published

